Free circuit schematics - circuits schémas libres - freie Systeme Schaltungen - schemi liberi circuiti - бесплатные схемы схемы 

Este espacio gratuito esta auspiciado por "Los Restauradores de Argentina" 

 

Circuitos

Planos

Diagramas

Una ayuda muy útil para aquellos técnicos que buscan circuitos y esquemas antiguos de radios  tocadiscos  amplificadores etc.  

Buenos Aires - Argentina

 

Atención

Este sitio y los siete capítulos restantes actualizan su contenido cada 24 horas  subiendo nuevos circuitos y esquemas

 

Año 2000 - 2017 - 2018

 

   

Podrás bajarte los circuitos y esquemas de radios antiguas a válvulas  , TV comerciales a válvulas y también a transistores  tocadiscos , amplificadores , combinados , grabadores , auto radio , transmisores y mucho mas ...

( Usted esta en : circuitos parte siete- ( ver parte uno ) ( parte dos) ( parte tres ) ( parte cuatro) ( parte cinco) ( parte seis )

 

Atención hora13 informa : Si usted baja circuitos de este sitio los mismos son para su uso personal , pero UD. No esta autorizado para copiarlos en otros sitios Web ; En tal caso solicite autorización mediante nuestros correos , tampoco le es permitido utilizar nuestro material  con fines de lucro en cualquiera de sus variantes , ante la duda consulte aquí

 

Circuitos Amplificadores y combinados

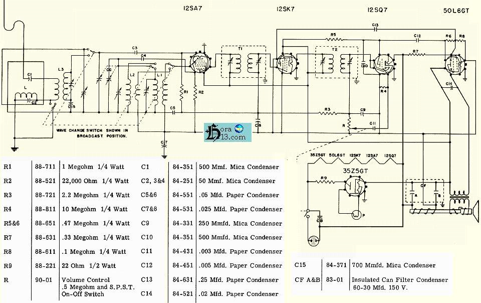
Amplificador 65W para auto estereo ( Tda 1562 )

Amplificador Ampec G22 Gemini

Amplificador Ampec M12

Amplificador Audinac modelo AT 510

Amplificador combinado Dewald modelo 511

Amplificador  combinado RCA Victor modelo 9Y7

Amplificador  combinado Traveller modelo 5036

Amplificador Fender Deluxe AB763

Amplificador Fender modelo 5F11

Amplificador Fender modelo Twin 5F8A

Amplificador Fender modelo Twin 6G8 A

Amplificador Fender modelo Bandmaster 5E7

Amplificador Fender modelo Harvard 5F10

Amplificador Fender modelo Showman AB 763

Amplificador Fender modelo Super 5D4

Amplificador Fender modelo Super 6G4A

Amplificador Fender Ultralineal 70 W

Amplificador Fender super reverb AB568

Amplificador Fender Titan

Amplificador Fisher modelo 500B

Amplificador Gibson Clavioline

Amplificador Gibson Gibsonette

Amplificador Gibson modelo Super Goldtone 30 watt

Amplificador Gibson modelo Super Goldtone 60 watt

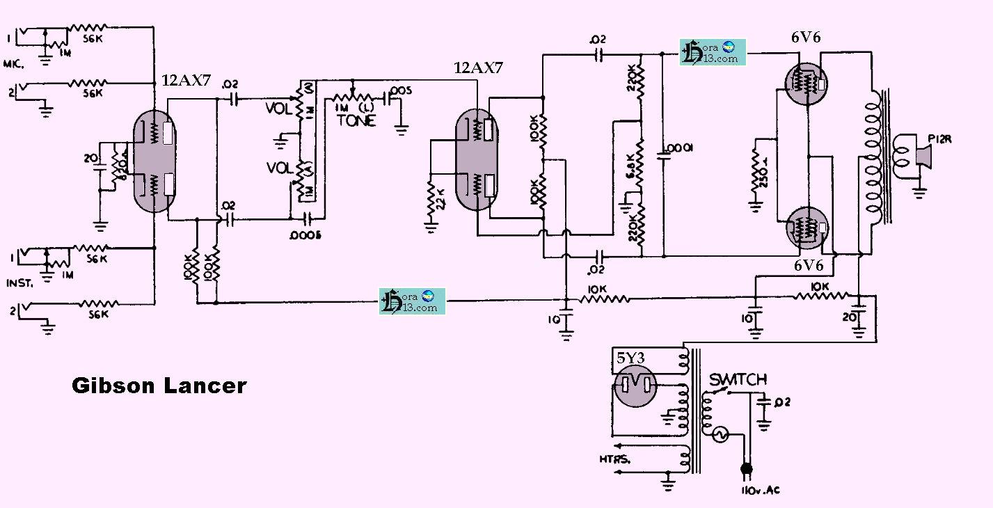
Amplificador Gibson Lancer 

Amplificador Lafayette modelo LA215 

Amplificador Lafayette modelo KT600

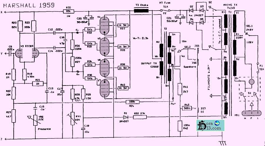
Amplificador Marshall modelo 1959

Amplificador Marshall modelo 2204

Amplificador Philips modelo AG9015

Amplificador Silvertone modelo 1263

Amplificador Silvertone modelo 1430

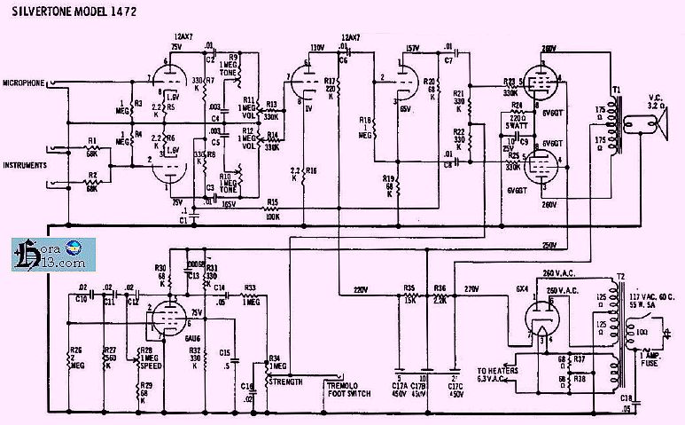
Amplificador Silvertone modelo 1472

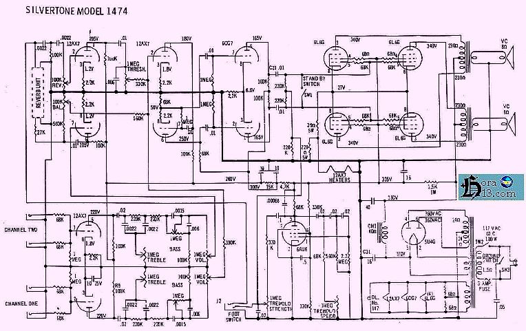
Amplificador Silvertone modelo 1474

Amplificador Silvertone modelo 1485

Fonógrafo Arthur Ansley modelo LP4 A

Fonógrafo Crescent modelo H16A1

Fonógrafo Hudson Electronics modelo 3 W

Sinto Technics FM-AM ST-8044-8044K parte 1

Sinto Technics FM-AM ST-8044-8044K parte 2

Tape Deck Technics modelo RS-615US

 

Para bajar mas circuitos y esquemas de Amplificadores (aqui) 

 

Circuitos de radios 

Radio Addison modelos 2A ,2B, 2C

Radio Addison modelos B2A , B2B , B2C

Radio Addison modelo 36A

Radio Addison modelo R5A3

Radio Airadio modelo 3100

Radio Atwater Kent modelos 60 y 60C

Radio Atwater Kent modelo 70

Radio Atwater Kent modelos 82 82F 85 85F

Radio Atwater Kent modelos 84 y 84F

Radio Atwater Kent modelos 856 y 976

 

Mas circuitos radios Atwater Kent (tomo 1 y tomo 2

Radio Alfa modelo Alfetta

Radio Alfa modelo Cyclope

Radio Altar modelo RM9

Radio Athena modelo 546 B

Radio Athena modelos 1256 y 2256

Radio reloj Capehart modelo T 62

Radio Colonial modelo 652

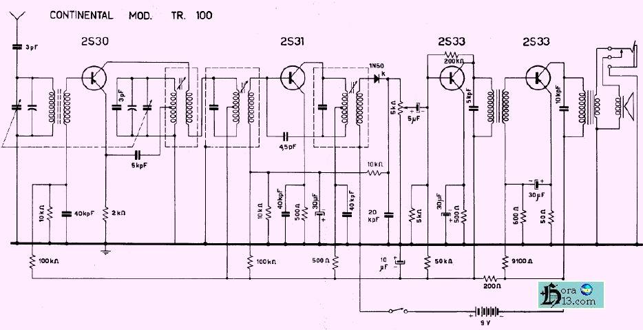
Radio Continental modelo TR 100

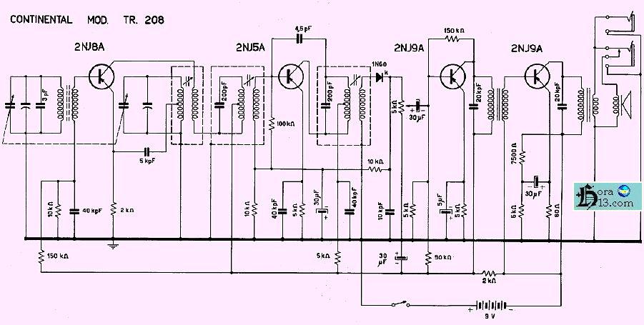
Radio Continental modelo TR 208

Radio Continental modelo 250

Radio Continental modelo 450

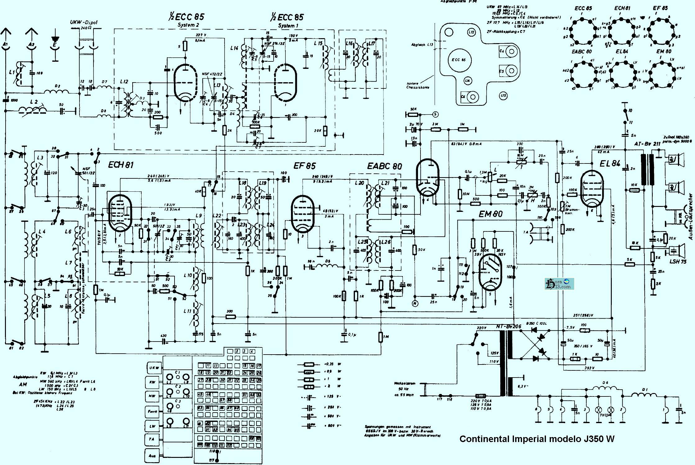
Radio Continental Imperial modelo J350W

Radio Delco modelo R 1233

Radio reloj De Wald modelo F 523

Radio Emerson modelo B126

Radio Emerson modelo A 725

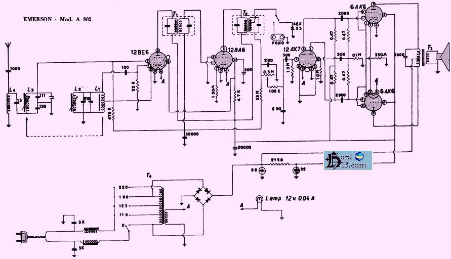
Radio Emerson modelo A 802

Radio Emerson modelo 803

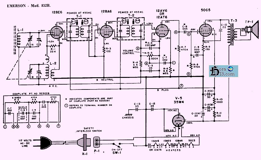
Radio Emerson modelo 832 B

Radio Emerson modelo 1005 MG

Radio Emerson modelo 1010 MG

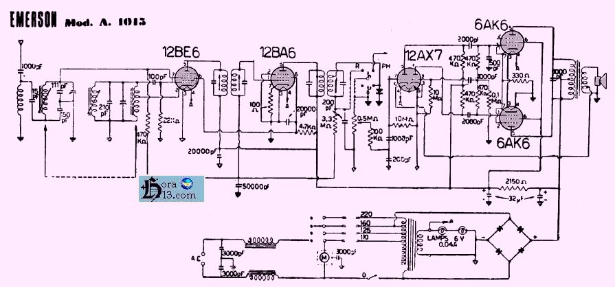
Radio Emerson modelo A 1015

 

Mas circuitos radios Emerson ( parte tres , cinco , seis  

Radio Firestone modelo 4A 85

Radio Geloso modelo G132

Radio Geloso modelo G152

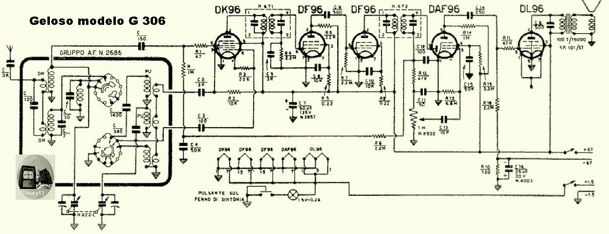
Radio Geloso modelo G306

Radio Geloso modelos G309 y G310 A

Radio Geloso modelo G533

Radio Geloso modelo G1510 C

Radio Geloso modelo G1520C

Radio Kosmovox modelo 175 - 965

Radio Kosmovox modelo 956

Radio Loewe Opta Truxa 1701w

 

Mas circuitos radio Loewe (aqui en tomo cinco) 

Radio Luxor modelo 3491 W

 

Circuitos de radios 

Radio Majestic modelo 401

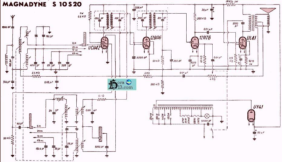
Radio Magnadyne modelo S10S20

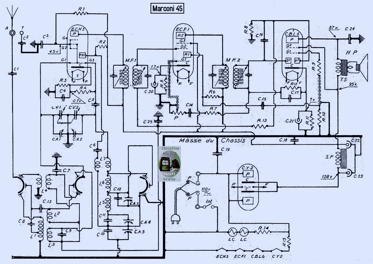
Radio Marconi modelo 45

Radio Mitchell modelo 1256

Radio Minerva modelo 414

Radio Minerva modelo 418

Radio Minerva modelo 505-3

Radio Minerva modelo 577-1 Picnic

Radio Minerva modelo 596-3 Genova

Radio Minerva modelo 596- 5 Venezia

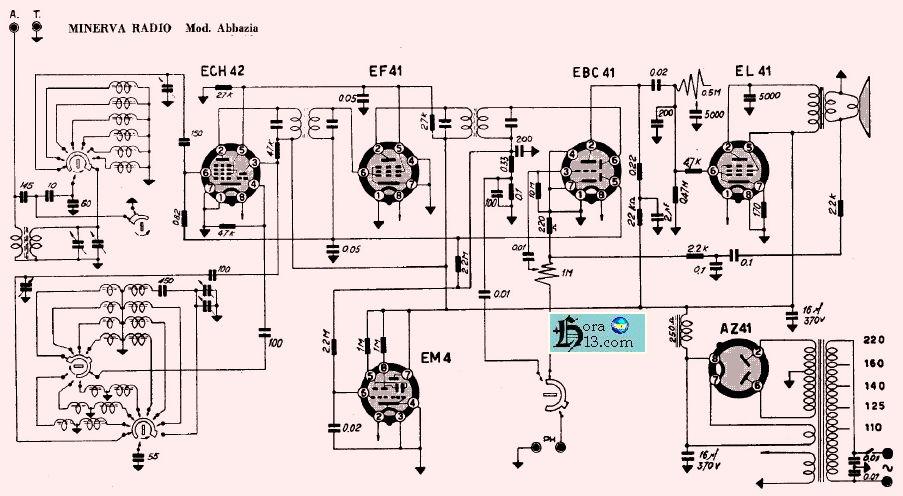
Radio Minerva modelo Abbazia

Radio Minerva modelo Sorrento

Radio Minerva modelo Pasubio

Radio Minerva modelo Portovenere

Radio Minerva modelo Taormina

Radio Minerva modelo Viareggio

Radio Motorola modelo 52R11 A

Radio Motorola modelo 5R11

Radio Motorola modelo 42B1

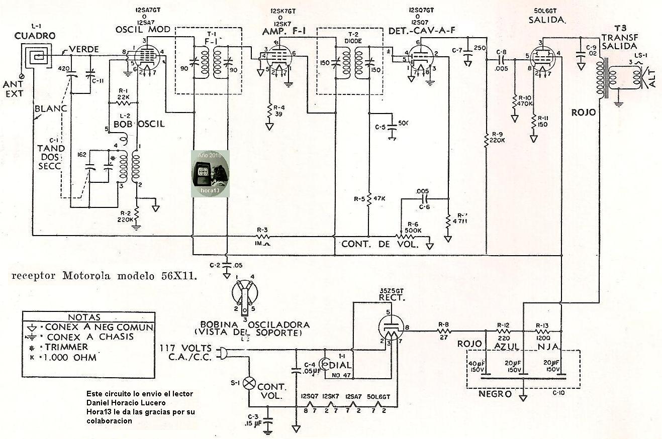
Radio Motorola modelo 56X11

Radio Nora modelo GW 27

Radio Nora modelo Picco

 

Radios Noblex ( todos los modelos en parte uno)

Radio Orion modelo 233

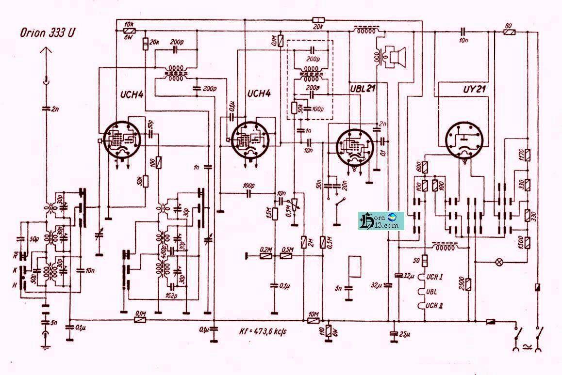
Radio Orion modelo 333U

Radio Paillard modelo 39

Radio Packard Bell modelo 5D8

Radio Packard Bell modelo 862

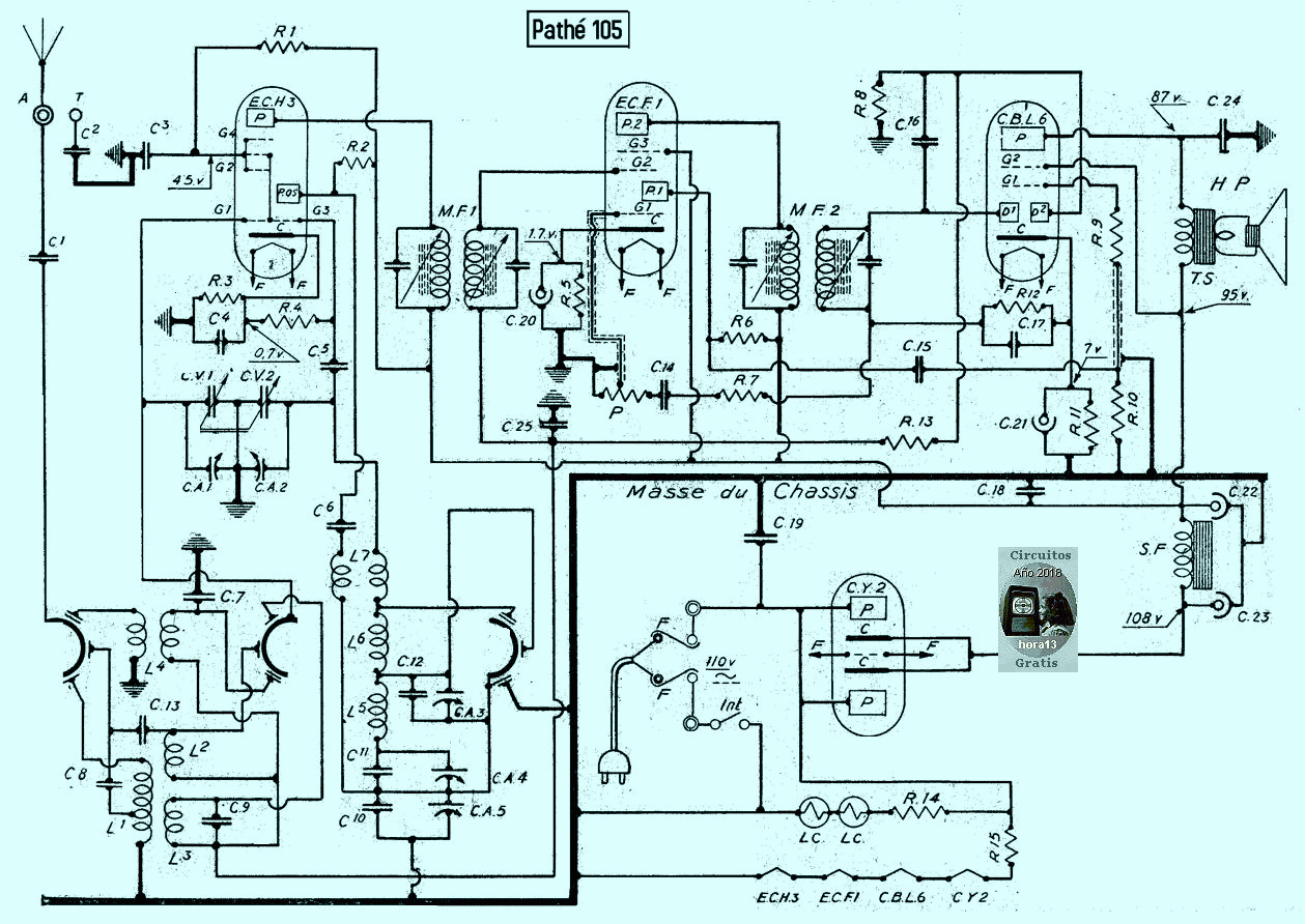
Radio Pathe modelo 105

Radio Qualiton  modelo A814

Radio Radione modelo R9

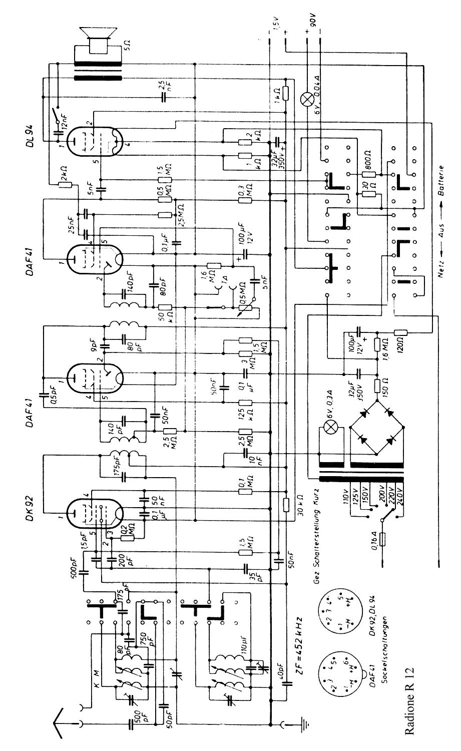
Radio Radione modelo R12

Radio Radione modelo 438 A

Radio Radione  modelo 539

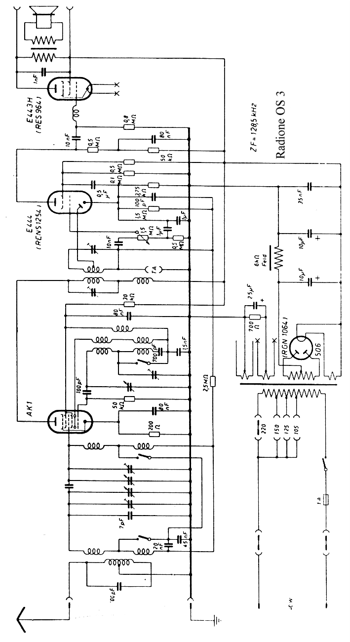
Radio Radione modelo O S3

Radio Radiomarelli modelo 108B

Radio Radiomarelli modelo  114

Radio Radiomarelli modelo 170 M

Radio Radiomarelli modelo 7A96

Radio Radiomarelli modelo 8A05

Radio Radiomarelli modelo 8F15

Radio Radiomarelli modelo 9U65 C

Radio Radiomarelli Ual -Ual

Radio Raymond modelo FM232

Radio Raymond modelo R525 , M825 , K325

Radio Raytheon modelo FM101 A

Radio reloj Regal modelo C 527

Radio Sanyo transistor AFT 8L

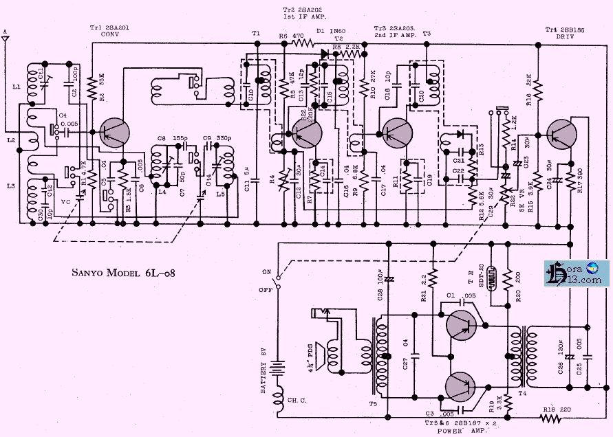
Radio Sanyo transistor 6L08

Radio Sanyo transistor modelo 8S P2N

Radio Sanyo transitor 6C 022

Radio reloj Sanyo modelo 5080 ( parte uno)

Radio reloj Sanyo modelo 5080 ( parte dos)

 

Mas circuitos marca Sanyo aqui en ( tomo cuatro)

Radio Sentinel modelo 314 E

Radio Sharp transistor BXS-327

Radio Silvertone modelo 1482

Radio Silvertone modelo 8003

Radio Simplex modelo 154 

Radio Simplex modelo 165

Radio Simplex modelo 352

Radio Simplex modelo 445 - 452

Radio Simplex modelo 645 - 654

Radio Sparton modelo 6B9

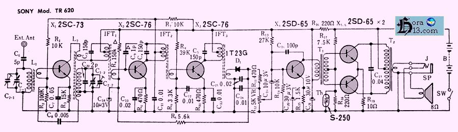
Radio Sony transistor TR620

Radio Sony transistor TR57

Radio Sony transistor TR610

Radio Sony transistor TR1819

Radio Sony transistor TR-1823

Radio Sony transistor TR 86

Radio Sony transistor TR 712

Radio Sony modelo 103

 

Mas circuitos radios Sony (aqui en parte seis) 

Radio Stewart Warner modelo 9160AU

Radio Sylvania radio modelo TR54

Radio Tesla modelo 308U

Radio Terta modelo BA408F

Radio Traveller modelo 5056 A

Radio Truetone modelo D2263

Radio Watt modelo Freccia

Radio Watt modelo Gemma

Radio Watt modelo Piccolo

Radio Watt modelo Piccolo Sport

Radio Watt modelo Piccolo Supersport

Radio Watt modelo Piccolo Taurus 6

Radio Watt modelo Siderodina

Radio Watt modelo Super Sport

Radio Watt modelo Transset

Radio Wundercart modelo A59

 

AtenciónSi aun no encuentras los circuitos o esquemas que necesitas recuerda que tienes ..

" La misma marca" pero distintos modelos en :tomo uno - dos - tres - cuatro - cinco  - seis

 

Si usted solo desea bajar circuitos marca Philips lo hace en forma mucho mas rápida (aquí)   

 

Si usted solo desea bajar circuitos marca General Electric lo hace en forma mucho mas rápida (aquí)   

 

Si usted solo desea bajar circuitos de Autoradios antiguos lo hace en forma mucho mas rapida (aqui)

 

Si usted solo desea bajar circuitos de Transmisores transceptores en forma mucho mas rapida (aqui)

 

Puedes ingresar desde aquí a : Todo en Electrónica antigua 

 

 

  volver al índice general

 

Recuerda que este sitio sigue siendo gratis

gracias a la colaboración de lectores que envían sus circuitos para toda la comunidad  

(No lo olvides) 

Correo : contacto@hora13.com

 

Productora " Zvnka" Mantiene vigente todos los derechos reservados y registrados a nombre del autor Vnicolav Chp3ovak (hora13 ) 
Copyright 2000 - 2018 Buenos Aires . Argentina Dirección Nacional de Derechos de Autor.
 Ley de la propiedad intelectual 11.723/33 , Para la copia o difusión de este material debe solicitar autorización , al menos que el mismo

sea utilizado para su uso personal ; Contacto con el portal Aqui

 

web analytics