Circuitos , planos , diagramas , esquemas  Circuits , graphs , Schemes , układy tranzystorowe zawór

Actualizado año (2018) - 

Este sitio esta auspiciado por "Los Restauradores de Argentina"

 

Circuitos

Planos

Diagramas

Para técnicos , Restauradores

Hobbistas , Amateurs , Novatos

Y todo aquel que desea buscar

circuitos o esquemas antiguos ...

 Buenos Aires Argentina

 

Atención

Este sitio y los siete capítulos restantes actualizan su contenido cada 24 horas  subiendo nuevos circuitos y esquemas 

   

 

Podras bajar Gratis los circuitos diagramas y esquemas de estas marcas y otras ( recuerda que son 7 tomos )

 

Radios : Noblex 7 mares , Topeco , toda la línea  Philips , Philco y Philco Tropic , Spica  RCA Victor , General Electric , Sony   Tonomac , Emerson , Fapesa  , Grunding ,Nobleza Radio , National Panasonic ,  Ache  , Delco , Astor , Noblex Carina , Maguire  Crosley  Firestone  , Jewel , Montgomery , Lorenz , Radialva , Sonora , Tesla , Askar  Arvin , Capehart , Adwater Kent , Douglas  Invictus , Siera , Radios con bobinas BYE  bobinas Topeco  , Siemens , Orion , Vica , Askar , Invicta y otras marcas poco conocidas .

 

Grabadores :  Sony , Geloso , Aiwa , Akai , Hitachi , Continental y otras marcas .

Autos radios 6 Volt y 12 Volt : Motorla , Philco , Ford Falcon , Delco , Blaupunkt , Auto Vox , Super Car 62 , Ache  y otros

 

Tocadiscos y combinados : Toda la linea Ken Brown ,Winco , Carla , Nobleza radio  todos lo modelos Ranser , Zenit , Telefunken  y otros

 

Circuitos de amplificadores con válvulas y a transistores , clase A - B y push pull  Desde 5 w hasta 70 u 80 w ,  marcas como Fender , Ucoa , Audinac , Ken Brown , Aiwa , Akai ,  Crown , RCA ....

 

Circuitos de TV. antiguos a válvulas las etapas mas criticas vertical y horizontal

 

Circuitos de tranceptores y transmisores comerciales y para armar ..

 

Atención hora13 informa : Si usted baja circuitos de este sitio los mismos son para su uso personal , pero UD. no esta autorizado

para copiarlos en otros sitios Web ; En tal caso solicite autorización mediante nuestros correos , tampoco le es permitido utilizar nuestro material  con fines de lucro en cualquiera de sus variantes , ante la duda consulte aquí 

Circuitos esquemas amplificadores 

 

Amplificador estereo con salida 6BQ5

 

Amplificador  de 30W con 6L6 

 

Amplificador Fender SilverFace guitarra 50 W

 

Amplificador de potencia modelo AC30

Amplificador Stromberg Carlson modelo AP56

Amplificador Stromberg Carlson APH1050

 

Amplificador marca Ucoa a transistores

 

Amplificador para guitarra eléctrica con compactaron

 

Amplificador con válvulas 6L6

 

Amplificador muy potente  valvular con KT88

 

Amplificador con AD161 y AD162

 

Amplificador Pequeño valvular para guitarra

 

Amplificador valvular con 2 6AQ5 tipo Winco

 

Amplificador valvular Audinac Mod 4215

 

Amplificador a transistores Audinac Mod. AT510

 

Amplificador valvular con 6V6  y 6N7

 

Amplificador tocadisco stereo con ECL82

 

Amplificador Wincofon transistorizado a Pilas

Amplificador   Winco  modelo20 50

 

Amplificador tipo Winco estereo con 6AQ5

 

Amplificador Winco a válvulas con ECL82

Amplificador 25 W transistores ( Plaquetodo)


Amplificador 40 W transistores ( Plaquetodo)


Amplificador 45 W con pre amp.( Plaquetodo)


Amplificador 70 W transistores ( Plaquetodo)


Amplificador 100 W transistores (Plaquetodo)

Amplificador con válvula 50L6

Amplificador con dos 6BQ5

 

Etapa de salida radio con válvula UL41

 

Amplificador Marca Delta modelo 400 ( Brasil)

 

Amplificador para tocadisco de mesa

Mas circuitos y esquemas de amplificadores aqui

Circuitos combinados tocadiscos grabadores : 

Grabador Aiwa a transistores modelo TP 742 v

 

Grabador Hitachi Mod. TRQ 530

 

Grabador Winco modelo RQ 7065

 

 

Mas circuitos de grabadores ( aqui tomo 2)

 

Tocadisco Admiral modelos YG1027 al YG1057

 

Tocadisco Admiral modelos YG1057 al YZ1531

 

Tocadisco con 3 válvulas

 

Tocadiscos Emerson a válvulas

 

Tocadisco marca Emerson

 

Tocadiscos Ranser a válvula  

 

Tocadiscos valvular portátil

Tocadisco valvular Raf modelo 870

 

Combinado Ranser a transistores

 

Combinado Ranser a válvulas stereo

 

Tocadiscos portátil a pilas con 2SB54 y 2SB56

 

Winco Dual / con radio Modelo 4106 - 4186

Winco Dual / a transistores Modelo RT 4050

Winco Argentina opcional con válvula PCL82

Winco Argentina opcional con válvula ECL82

Circuitos esquemas radios : 

 

Radio Admiral modelos 4 R11 y 4R12

 

Radio Admiral modelos YD201GPA y YD202GPA

 

 

Mas circuitos radios Admiral (aqui parte cuatro)

 

Radio Arel il Modello

 

Radio Arel Lumeradio

 

Radio Astor valvular ambas corrientes

 

Radio Astor valvular  modelo15 TA

 

Radio Astor transistores mod. Selección

 

Radio Atwater Kent  modelo 81

 

Radio Auto Vox

 

Radio ACHE valvular 

 

Radio  ACHE  transistores Standard

 

Radio ACHE transistores  Microblock

 

Radio ACHE con TR Fapesa

 

Radio BYE Standard  

Radio BYE Transistores  mod. TB5 3011

 

Radio Blaupunkt Florenz modelo H3153

 

Radio Ducati RR2403

 

Radio Douglas modelo 968

 

Radio Emerson modelo 671 D

 

Radio Emerson modelos 330 a 463

 

Mas circuitos radios Emerson ( aqui)

 

Radio Erwa Royal  valvular 1934

 

Radio Excelsior modelo 55

 

Radio Fapesa valvular B434

 

Radio Fapesa valvular 6 volt

 

Radio Fapesa valvular

Radio Fapesa

 

Radio Ferguson modelo 238U

 

Radio Ferguson modelo 3428U

 

Radio Firestone valvular

 

Bajar todos los circuitos radios General Electric

 

Radio marca Hitachi

Circuitos varios , algunos para taller y reparaciones 

 

Circuito esquema de conexiones Válvula ECL82

Para coleccionistas Radio casera de una sola Válvula 

 

Circuito valvular antiguo de un " Sonar "

 

Curso practico de reparación básica de radios

 

Pequeño amplificador para el taller ; Muy versátil

 

Curso reparación básica de tocadiscos amplificadores

 

Curso practico de armado y construcción de antenas

 

Curso practico de armado y construcción de radios simples

 

Circuitos muy fáciles de armar ( novatos , principiantes )

 

Bajar todos los circuitos de Trasmisores y transceptores

 

Radio onda corta con solo 3 válvulas

 

Mini radio AM con solo dos válvulas

Radio portátil a batería con cuatro válvulas

Radio a válvulas con dos 6V6 de salida

Circuito mini radio transistor años 70

Grundig modelo fûrth tm 45 parte 1

 

Grundig modelo werke fûrth tm 45 parte 2

 

Grundig Concert modelo 206

 

Grundig Modelo 246 GW

 

Grundig Modelo 1001 GW

 

Grundig Modelo 1002 GW

 

Grundig  Modelo 1060J

 

Grundig Radio multibanda - 1953

 

Grundig Modelo 1098

 

Grundig Modelo 2020

 

Grundig Modelo 2041 WP

 

Grundig Modelo 2043 W-3D

 

Grundig  radio valvular modelo 2066 ( parte uno) 

 

Grundig radio valvular modelo 2066 ( parte dos) 

 

Grundig radio valvular modelo 2066 ( parte tres ) 

 

Grundig Modelo 3060

 

Grundig Modelo 4010GW

 

Grundig Modelo 4085

 

Grundig Modelo 5195

 

Grundig Modelo 5299 ( parte uno)

 

Grundig Modelo 5299 ( parte dos )

 

Grundig Modelo 6199

 

Grundig modelo werke gmbh 8510 fûrth parte 1

 

Grundig modelo werke gmbh 8510 fûrth parte 2

 

Grundig modelo 8050

 

Grundig modelo 8055-56 WF-3D

 

Grundig modelo 8066

 

Grundig modelo MSF100 ( parte 1)

 

Grundig modelo MSF100 ( parte 2)

 

Grundig modelo MSF100 ( parte 3)

 

Grundig sinto amplificador MR200 ( Parte 1)

 

Grundig sinto amplificador MR200 ( Parte 2)

 

Grundig sinto amplificador MR200 ( Parte 3)

 

Grundig sinto amplificador MR200 ( Parte 4)

 

Grundig sinto amplificador MR200 ( Parte 5)

 

Grundig sinto amplificador MR200 ( Parte 6)

 

Grundig  modelo Multi Sonic ( parte uno)  

 

Grundig  modelo Multi Sonic ( parte dos) 

 

Grundig  modelo KS490 ( parte uno )

 

Grundig  modelo KS490 ( parte dos )

 

Grundig  modelo KS490 ( parte tres)

 

Grundig  modelo KS490 ( parte cuatro )

 

Grundig  modelo KS490 ( parte cinco )

 

Grundig transistor modelo BOX 59

 

Grundig Modelo Transonette 70a  

 

Grundig Modelo Standard Boy Transistor 200

 

Radio Junior transistores  

 

Radio Marcucci valvular 

Radio Motorola valvular mod 58A11/110 V.

 

Radio Motorola valvular ambas corrientes

 

Radio Noblex 7 Mares NT 119 Parte uno

 

Radio Noblex 7 Mares NT 119 Parte dos

 

Radio Noblex 7 Mares NT 119 Parte tres

 

Radio Noblex 7 Mares NT 119 Pte cuatro

 

Radio Noblex 7 Mares NT 119 (la fuente)

 

Radio Noblex Berna (1)

 

Radio Noblex Berna (2)

 

Radio Noblex 133 parte uno

 

Radio Noblex 133 parte dos

 

Radio Noblex  T4 B

 

Radio Noblex T 5A

 

Radio Noblex Carina  modelo TN2 -C

 

Radio Noblex Carina  modelo  TN2-D

 

Radio  Noblex Carina  TN2-F

 

Radio Noblex Carina TN2G

Radio  Noblex modelo TS7

 

Radio Noblex modelo TS6 A

Radio Noblex Fabulino NT 117 A

 

Radio Orion modelo 140 A

 

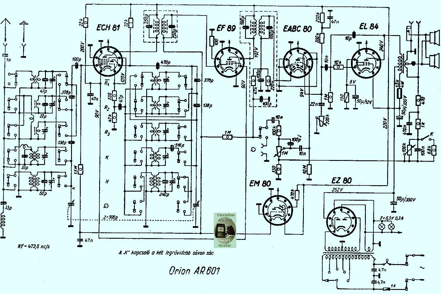
Radio Orion modelo AR 601

 

Bajar todos los circuitos de radios marca Philips

 

Radio Philco modelo T 7

 

Radio  Pioner U2

 

Radio RAF a válvulas

 

Radio RCA Victor a válvulas

 

Radio  RCA transistores modelo 1 BT 58

 

Radio Spica

 

Radio Spica de 4 Transistores

 

Radio Spica super 7 (seccion audio y antena )

 

Radio Spica modelo ST 600

 

Radio Spica el Kits de radio  para amar

 

Radio Tonomac   marca Júnior

Radio Tonomac Super Platino FM 6 Bandas

Radio Telefunken modelo U1365

Radio Telefunken U1365

 

Radio Telefunken  modelo 2 T 64 U

 

Radio Telefunken  concertino modelo 6

 

Radio Telefunken  concertino modelo 55 W

 

Radio Telefunken  concertino modelo TS

 

Radio Telefunken  concertino modelo 2194

 

Radio Telefunken  concertino modelo 5384

 

Radio Telefunken  concerto modelo 2500

 

 

( Mas circuitos Telefunken ver en tomo dos )

 

Radio Topeco transistores  1072 modelo G

 

Radio Ucoa a batería 6 V

Radio Ucoa valvular 547C

Radio Ucoa completo radio valvular 

Radio Westinghouse transistores  

Radio Zenith modelos 814 ,815, 864 ,1161

 

Radio Zenith  valvular 4T26 4T51

 

Radio Zenit multibanda Trans Oceanic

 

 

Mas circuitos radios Zenith en tomo numero ( 6 )

 

Circuitos transmisores transceptores 

Los mas  buscados 

del mes..

circuitos TV valvulares

 

 

 

 Transmisores , Transceptores , Transceivers AM  MF , FM , VHF, UHF , BC , BLU  Handies , Walkie Talkies , fuentes de alto poder , moduladores , preamplificadores para distintos micrófonos etc.

Circuitos , diagramas , esquemas 

comerciales y caseros 

Especial para radio aficionados , amateurs  Hobbistas , armadores , principiantes  y técnicos 

Puedes bajar todo este material gratis ahora 

 

 

 

Esto se pudo realizar gracias a la colaboración de muchos radioaficionados de lengua Hispana que colaboran enviando material casi todos los días 

NO lo olvides ...

   Ken Brown  

( Studio y Concierto )

15 + 15 valvular

Un tutorial simple y detallado con imágenes que te servirá para detectar las fallas mas comunes y solucionarlas lo mas rápido posible 

Lo importante NO es cambiar piezas 

solo por cambiar ...

Lo mas seguro es saber donde esta la falla y entender de que se trata y el porque...

 

( un clic en la imagen abajo para acceder )

 

 

 

Ken Brown pro sound modelo 2000 

( bajar )

Circuito diagrama TV F.M o Evita Fabricaciones militares 

Circuito diagrama TV Admiral modelo 16G9/B , etapa horizontal y vertical

Con Valvulas 10DE7 , 1K3 , 1G3 , 12DQ6 , 12AX4 , 6CG7 , 6K11

Circuito salida horizontal y vertical , con valvulas 6DQ6 , 6DE4 , 6AX4  1B3 , 1K3 ,1G3 y 6U8 , circuito empleado por la Philco, Well Gardner , Dumont 

Circuito Etapa salida y osciladora horizontal valvular , años 60 y 70  circuitos y marcas como Well Gardner , Inerlo , Dumont entre otros

Circuito típico de salida vertical valvular , con EL86 , 12AU7 y 6AU6

las etapas osciladora , detectora de sincronismo y AGC .

Circuito de salida horizontal y etapa osciladora TV. valvular marca Fapesa

valvulas PL36 , 12AU7 , PY88 , DY87 .

 

Usted esta en "circuitos 1" puede bajar mas material en circuitos : - dos - tres - cuatro - cinco - seis - siete

 

 

Electrónica Antigua

Todo lo que vos buscas aqui es gratis..

( ingresar)

Circuitos , esquemas

ayuda técnica  manuales , libros 

revistas colecciones

El mundo Vintage

de la Electrónica 

 

HORA13 - Reparación y Restauración de AUDIO ANTIGUO
Radios valvulares y a transistor - Tocadiscos tipo Winco - Combinados y más...
Conozca nuestro trabajo

 volver al índice general

 

Productora " Zvnka" Mantiene vigente todos los derechos reservados y registrados a nombre del autor Vnicolav ( hora13 ) 
Copyright 2000 - 2018 www.hora13.com Buenos Aires . Argentina Dirección Nacional de Derechos de Autor.
 Ley de la propiedad intelectual 11.723/33 , Para la copia o difusión de este material debe solicitar autorización , al menos que el mismo

sea utilizado para su uso personal ; Contacto con el portal Aqui